Prodotti
Casa Prodotti

Perché gli ingegneri preferiscono la serie JST BVR per le sedi delle valvole a sfera?

Perché gli ingegneri preferiscono la serie JST BVR per le sedi delle valvole a sfera?

  • December 30. 2025

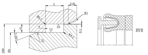
Quando si tratta di una tenuta radiale unidirezionale per la sede della valvola a sfera, il nostro cliente preferirebbe sempre scegliere lo stile JST "BVR", ma perché?

La risposta sta nella sua geometria di tenuta ottimizzata e nel design attivato dalla pressione. La serie BVR è composta da una molla di livello inclinata e da una guaina polimerica, utilizzata principalmente come guarnizione dello stelo Sotto pressione, il labbro di tenuta viene energizzato e premuto saldamente contro la sede della valvola, garantendo un'eccellente tenuta anche a livelli di pressione elevati.

Con una corretta selezione del materiale, come composti di PTFE o polimeri riempiti, la guarnizione funziona in modo affidabile sotto alta pressione, fluttuazioni di temperatura e mezzi aggressivi comunemente presenti in petrolio e gas , applicazioni chimiche e industriali.

Infine, i clienti apprezzano la facilità di installazione e la costanza delle prestazioni. Il modello JST "BVR" è progettato per un montaggio preciso, riducendo al minimo gli errori di installazione e garantendo risultati di tenuta ripetibili su valvole di diverse dimensioni e condizioni operative.

Di seguito sono riportate le raccomandazioni tecniche per le dimensioni delle scanalature.

Condizioni di lavoro

Diametro interno (mm)

G(mm)

Diametro esterno (mm)

L +0,2 /(mm)

Dimensione minimaH(mm)

10000 psi

-60~180℃

7~15

2.4

9.5

9.5

3.4

15~30

3.1

10

10

5.0

30~90

4.7

12.5

12.5

6

90~600

6.1

16

16

7

600~1200

9.5

28

28

9.5

© Diritto dautore: 2026 Guangzhou JST Seals Technology Co., Ltd. Tutti i diritti riservati.

粤ICP备12032262号 Rete IPv6 supportata

Rete IPv6 supportata

superiore

lasciate un messaggio

lasciate un messaggio

    Se Sei interessato ai nostri prodotti e vuoi sapere più dettagli, ti preghiamo di lasciare un messaggio qui, ti risponderemo non appena saremo

  • #
  • #
  • #